6784259585
6784259585
Gift Certificate
Wishlist
My Account
Login
Sign Up
0
Toggle menu
Search
×
Search
×
Shop By Category
Parts and Kits Web Store
Czech Parts - ZK, VZ, ZB, and UK
British Firearm Parts and Accessories
SMLE No 1 and No 4
Vickers Machine Gun
BREN
STEN
Military S&W and Webly Pistol Parts
Lewis Machinegun .303
P14, No.3, & P17 Rifle
British Mortar and Cannon Parts and Accessories
Boys Anti-Tank Rifle RB Mk1
Signal Pistols
Swiss Guns and Parts
German WW2 Firearm Parts and Accessories
K98 Parts
MG34 Parts
MG42 Parts
MG34/42 Belts, Boxes, & Drums
MP40 Parts and Mags
MP28 & MP34 Magazines
Sturmgewehr Magazines
German WW2 Flare Guns
2 cm Flak 38 Magazines
US Firearm Parts and Accessories
Browning .50
Browning .30
M249
M1 Garand
P17 Rifle Parts
1903 Springfield
USGI Thompson
BAR
AR-15 / M16
Other GI Gun Parts and Accessories
Israeli Parts and Guns
Uzi Parts
Yugoslavian Military Gear
MAXIM Guns
Steyr AUG
PPS43
Italian Breda Machine Gun
G3 and FAL Parts
Mystery Parts
AK Parts and Mags
Suomi KP31 & Swed 37 SMG
Suomi Project Gun Parts
Suomi KP31 & Swed 37 SMG KITS
Finnish KP31 Individual Parts
Swedish M37/39 Individual Parts
Hand Select Premium Suomi Stocks
Standard and Blemished Suomi Stocks
Misc Machineguns Parts & Kits
Clearance
Military Gear
Parts By the 100
No1 & No4 Rifles
Semi Auto Firearms
XMG Belt-Fed AR-15/M16 Upper Receiver
MG42 Semi Auto
MG42 Semi Receiver Parts
MG42 Semi Auto Bolt Parts
MG42 Semi Auto Trigger Parts
Transferable Machine Guns
Stemple 76/45 Takedown Guns (STG)
U45
STG U9 & U9-SF
STG 76W (Stemple-Suomi)
Stemple 76/45: STG M1A1/1928 Setup
STG 34k
STG U7.62
STG 76
STG Tech Support
Stemple 76/45 News
Buying a Transferable Machinegun
Stemple 76/45: Replacement Parts
Custom Shop
Collector Guns
Silencers
Ammo
Collector Books
Shop By Brand
View all Brands
Main Menu
Blog
Contact
Shipping & Returns
Connect with Us:
Gift Certificates
Login
or
Sign Up
Shop By Category
Parts and Kits Web Store
Czech Parts - ZK, VZ, ZB, and UK
British Firearm Parts and Accessories
SMLE No 1 and No 4
Vickers Machine Gun
BREN
STEN
Military S&W and Webly Pistol Parts
Lewis Machinegun .303
P14, No.3, & P17 Rifle
British Mortar and Cannon Parts and Accessories
Boys Anti-Tank Rifle RB Mk1
Signal Pistols
Swiss Guns and Parts
German WW2 Firearm Parts and Accessories
K98 Parts
MG34 Parts
MG42 Parts
MG34/42 Belts, Boxes, & Drums
MP40 Parts and Mags
MP28 & MP34 Magazines
Sturmgewehr Magazines
German WW2 Flare Guns
2 cm Flak 38 Magazines
US Firearm Parts and Accessories
Browning .50
Browning .30
M249
M1 Garand
P17 Rifle Parts
1903 Springfield
USGI Thompson
BAR
AR-15 / M16
Other GI Gun Parts and Accessories
Israeli Parts and Guns
Uzi Parts
Yugoslavian Military Gear
MAXIM Guns
Steyr AUG
PPS43
Italian Breda Machine Gun
G3 and FAL Parts
Mystery Parts
AK Parts and Mags
Suomi KP31 & Swed 37 SMG
Suomi Project Gun Parts
Suomi KP31 & Swed 37 SMG KITS
Finnish KP31 Individual Parts
Swedish M37/39 Individual Parts
Hand Select Premium Suomi Stocks
Standard and Blemished Suomi Stocks
Misc Machineguns Parts & Kits
Clearance
Military Gear
Parts By the 100
No1 & No4 Rifles
Semi Auto Firearms
XMG Belt-Fed AR-15/M16 Upper Receiver
MG42 Semi Auto
MG42 Semi Receiver Parts
MG42 Semi Auto Bolt Parts
MG42 Semi Auto Trigger Parts
Transferable Machine Guns
Stemple 76/45 Takedown Guns (STG)
U45
STG U9 & U9-SF
STG 76W (Stemple-Suomi)
Stemple 76/45: STG M1A1/1928 Setup
STG 34k
STG U7.62
STG 76
STG Tech Support
Stemple 76/45 News
Buying a Transferable Machinegun
Stemple 76/45: Replacement Parts
Custom Shop
Collector Guns
Silencers
Ammo
Collector Books
Shop By Brand
View all Brands
Main Menu
Blog
Contact
Shipping & Returns
Connect with Us:
Gift Certificates
Login
or
Sign Up
Shop by Category
Parts and Kits Web Store
Czech Parts - ZK, VZ, ZB, and UK
British Firearm Parts and Accessories
SMLE No 1 and No 4
SMLE No. 1 MK III Parts
No.1 Mk.3 Receiver, Bolt, & Sight Parts
No.1 Mk.3 Stock & Magazine Parts
No. 4 MK I Parts
No.4 Mk.1 Bolt Group Parts & Retaining Ring
No.4 Mk.1 Rear Sight, Sear, & Safety Area Parts
No.4 Mk.1 Front Sight Parts
No.4 Mk.1 Stock, Trigger & Magazine Parts
SMLE Bayonet Parts
SMLE Tools
Oilers
Vickers Machine Gun
Vickers MMG Parts
Vickers Feed Block Parts
Vickers Locks & Lock Parts
Vickers Tools and Accessories
Vickers Tripod Parts
Vickers Special Lots & Unique Items
Vickers Dial Sight Parts
BREN
BREN Parts
BREN Receiver & Sight Parts MK1, MK2, MK3, Mk4
BREN Bolt & Piston Parts
BREN Barrel Parts
BREN Barrel Nuts
BREN Slide Group & Butt Mk1
BREN Slide Group & Butt Mk2
BREN Slide Group & Butt Mk3, Mk4
BREN Bipods & Mount Parts
BREN Magazines & Parts
Bren Tools and Accessories
BREN Tripod Parts
STEN
STEN Parts
STEN Stocks
STEN Bolt Parts
STEN Magazine Housing Parts
STEN Barrel and Forend Parts
STEN Magazines and Parts
STEN Trigger Parts
STEN Tools and Accessories
STEN Rare and Unique Parts
Military S&W and Webly Pistol Parts
Lewis Machinegun .303
P14, No.3, & P17 Rifle
Receiver, Bolt & Barrel Parts
Stock Parts
British Mortar and Cannon Parts and Accessories
Boys Anti-Tank Rifle RB Mk1
Signal Pistols
Swiss Guns and Parts
German WW2 Firearm Parts and Accessories
K98 Parts
MG34 Parts
MG34 8mm Barrels
MG34 Kits
MG34 Tripod Mounts
308 Conversion Parts
MG34 Dummy Receiver and Receiver Parts
MG34 Bolt Parts
MG34 Fire Control and Grip Parts
MG34 Top Cover and Feed Tray Parts
MG34 Tools and Accessories
MG34 Stocks and Buffer Parts
MG34 Unique Parts & Special Lots
MG42 Parts
MG42 308 Conversion Parts (7.62 NATO)
MG42 Barrels and Carriers
MG42 Unique Parts
MG42 Belts
MG42 Buffer and Stock Area
MG42 Top Cover and Feed Tray Parts
Original MG42 WW2 Bolts
MG42 Trigger Pack Area Parts
MG42 Bolt & Rail Area Parts
MG42 Middle Section Parts
MG42 Front Section Parts & Bipods
MG42 Tools and Accessories
MG34/42 Belts, Boxes, & Drums
MP40 Parts and Mags
MP28 & MP34 Magazines
Sturmgewehr Magazines
German WW2 Flare Guns
LP 42s
LP34s by Erma-Erfurt and ayf
LP34s by Walther and AC
LP34s by Lubecker Machinefabrik, s237, and duv
2 cm Flak 38 Magazines
US Firearm Parts and Accessories
Browning .50
M2HB Barrels and Shroud Parts
50 BMG Bolt Parts
50 BMG Receiver Group
50 BMG Retracting Assembly
50 BMG Back Plate Parts
50 BMG Buffer Parts
50 BMG Barrel Extension Parts
Browning .50 Tools
Browning .30
Browning .30 Tools
M249
M1 Garand
P17 Rifle Parts
1903 Springfield
USGI Thompson
BAR
AR-15 / M16
Other GI Gun Parts and Accessories
Israeli Parts and Guns
Uzi Parts
Yugoslavian Military Gear
MAXIM Guns
Steyr AUG
PPS43
Italian Breda Machine Gun
G3 and FAL Parts
Mystery Parts
AK Parts and Mags
Suomi KP31 & Swed 37 SMG
Suomi Project Gun Parts
Suomi KP31 & Swed 37 SMG KITS
Finnish KP31 Individual Parts
Swedish M37/39 Individual Parts
Hand Select Premium Suomi Stocks
Standard and Blemished Suomi Stocks
Misc Machineguns Parts & Kits
Clearance
Military Gear
Parts By the 100
No1 & No4 Rifles
Semi Auto Firearms
XMG Belt-Fed AR-15/M16 Upper Receiver
MG42 Semi Auto
MG42 Semi Receiver Parts
MG42 Semi Auto Bolt Parts
MG42 Semi Auto Trigger Parts
Transferable Machine Guns
Stemple 76/45 Takedown Guns (STG)
U45
U45 Spare and Replacement Parts
STG U9 & U9-SF
STG U9 Spare Parts
STG 76W (Stemple-Suomi)
STG Stemple - Suomi Parts
Stemple 76/45: STG M1A1/1928 Setup
STG 1928 Spare and Replacement Parts
STG 34k
STG 34k Parts and Accessories
STG U7.62
U762 Spare Parts & Accessories
STG 76
STG 76 Parts and Accessories
STG Tech Support
Stemple 76/45 News
Buying a Transferable Machinegun
Stemple 76/45: Replacement Parts
Custom Shop
Collector Guns
Silencers
Ammo
Collector Books
Shop by Brand
View all Brands
Parts and Kits Web Store
Czech Parts - ZK, VZ, ZB, and UK
British Firearm Parts and Accessories
SMLE No 1 and No 4
Vickers Machine Gun
BREN
STEN
Military S&W and Webly Pistol Parts
Lewis Machinegun .303
P14, No.3, & P17 Rifle
British Mortar and Cannon Parts and Accessories
Boys Anti-Tank Rifle RB Mk1
Signal Pistols
Swiss Guns and Parts
German WW2 Firearm Parts and Accessories
K98 Parts
MG34 Parts
MG42 Parts
MG34/42 Belts, Boxes, & Drums
MP40 Parts and Mags
MP28 & MP34 Magazines
Sturmgewehr Magazines
German WW2 Flare Guns
2 cm Flak 38 Magazines
US Firearm Parts and Accessories
Browning .50
Browning .30
M249
M1 Garand
P17 Rifle Parts
1903 Springfield
USGI Thompson
BAR
AR-15 / M16
Other GI Gun Parts and Accessories
Israeli Parts and Guns
Uzi Parts
Yugoslavian Military Gear
MAXIM Guns
Steyr AUG
PPS43
Italian Breda Machine Gun
G3 and FAL Parts
Mystery Parts
AK Parts and Mags
Suomi KP31 & Swed 37 SMG
Suomi Project Gun Parts
Suomi KP31 & Swed 37 SMG KITS
Finnish KP31 Individual Parts
Swedish M37/39 Individual Parts
Hand Select Premium Suomi Stocks
Standard and Blemished Suomi Stocks
Misc Machineguns Parts & Kits
Clearance
Military Gear
Parts By the 100
No1 & No4 Rifles
Semi Auto Firearms
XMG Belt-Fed AR-15/M16 Upper Receiver
MG42 Semi Auto
MG42 Semi Receiver Parts
MG42 Semi Auto Bolt Parts
MG42 Semi Auto Trigger Parts
Transferable Machine Guns
Stemple 76/45 Takedown Guns (STG)
U45
STG U9 & U9-SF
STG 76W (Stemple-Suomi)
Stemple 76/45: STG M1A1/1928 Setup
STG 34k
STG U7.62
STG 76
STG Tech Support
Stemple 76/45 News
Buying a Transferable Machinegun
Stemple 76/45: Replacement Parts
Custom Shop
Collector Guns
Silencers
Ammo
Collector Books
Shop by Brand
View all Brands
Home
Parts and Kits Web Store
US Firearm Parts and Accessories
Browning .50
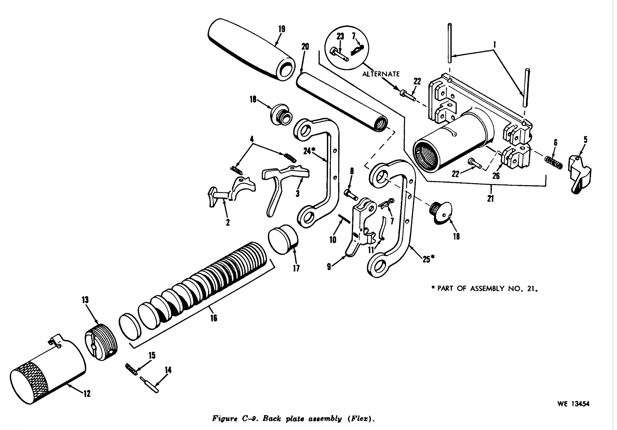
50 BMG Back Plate Parts
50 BMG Back Plate Parts
There are no products listed under this category.
Compare Selected
×
OK